• A+
所属分类:450V螺栓电容

450V3900uf 螺栓电解电容

450V3900uf 螺栓电解电容基本参数介绍

额定电压: 450V 额定容量: 3900uF
温 ? ? ?度: 85℃ 寿 ? ? ?命: 12000h
重 ? ? ?量: 约600g 封装尺寸: 76.9*104mm
安装方式: 底部螺母固定 配 ? ? ?件: 螺丝 M6*12 2PCS
包装数量: 12只/箱 配 ? ? ?件: 螺母 1PCS

 

450V3900uf 螺栓电解电容电性能参数介绍

额定电压

(V.DC)

浪涌电压

(V.DC)

额定容量

(μF)

容量偏差

(%)

损耗角正切

(MAX)

ESR典型值

(mΩ)

漏电流

mA , MAX, 5min

额定纹波电流

(A)

450 500 3900 -10~+20 0.20 29 5 13.6
At ?120Hz? 20℃ 85℃ 120Hz
? ? ? ? 气候类别 Environmental? Category : 40/085/56

 

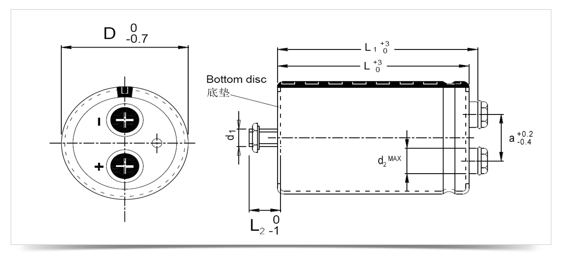
450V3900uf 螺栓电解电容尺寸介绍

? ? ? ? 一、外形结构尺寸

电解电容尺寸

 

D: 76.9mm d2MAX: 17.4mm L: 104mm L1: 109.8mm 螺丝: M6X12
a: 31.7mm d1: 12mm L2: 17mm 套管层数: 2

 

? ? ? ? 二、內型结构图

电解电容内部结构

 

?螺栓型电解电容套管说明(双层套管,负极标识)

电解电容套管

 

螺栓型铝电解电容器底部编码说明

电解电容编码

CECTN电解电容厂家所生产的么每一只螺栓型电解电容器都会赋予一个唯一的编码,此编码可用于追溯数据,在螺栓型电解电容出厂后任可查询该产品的所有生产记录以及测试数据等信息。

编码由11位数字组成,前8位数字为该产品的生产批号,后3位为该批次中,该产品的编号。

 

450V3900uf螺栓电解电容印字信息详解

电解电容印字说明

铝电解电容的料号又两个部分组成,上面是CECTN商标,下面为电解电容型号,包含订购代码、电压、容量、温度、寿命、安装方式等信息。详细了解请点击进入《k8凯发铝电解电容料号说明》页面。

 

螺栓型铝电解电容器包装说明

电解电容包装

CECTN电解电容采用EPS(聚苯乙烯泡沫)材料制成的上下垫进行固定,EPS材质具有良好的防水、放撞击、抗挤压等特性,能够更好的保护电解电容。

CECTN铝电解电容采用导电胶条放电,在包装上垫上安装电阻大约为3k欧姆左右的导电胶条,产品在包装后一直处于放电状态。相比其他电解电容厂家使用钢丝之类的直接短路放电能够更好的保护螺栓铝电解电容。

根据电解电容直径的不同,CECTN电容每箱包装数量分为下表中六种:

电解电容包装数量

发货包装标准如下:

电解电容发货包装

CECTN电解电容小批量发货时,直接采用缠绕膜缠绕,大批量发货时采用卡板堆垛,并用打包带进行固定,最后外层缠上缠绕膜。(见上图)

 

螺栓型铝电解电容配件(底部螺母安装结构)

电解电容安装配件

 

螺栓电解电容生产流程

电解电容生产流程

螺栓型电解电容的生产工序包括开单、切割、卷绕、铆焊接、浸渍、灌胶装配、封口、老化、套管、测量、外检、包装、一致性检验等工序。

 

FET4450392A6C090相关资料下载

  • 我的微信号
  • 扫一扫联系我
  • weinxin
  • 我的微信公众号
  • 扫一扫关注我
  • weinxin
电解电容厂家

发表评论

:?: :razz: :sad: :evil: :!: :smile: :oops: :grin: :eek: :shock: :???: :cool: :lol: :mad: :twisted: :roll: :wink: :idea: :arrow: :neutral: :cry: :mrgreen: